大型泵站的泵选型
发布时间:2022-07-18 15:25:53 来源: 泵管家 作者:本站编辑 浏览次数:

近期某公司让做温州市瓯江引水工程泵站水泵参考选型,参数为:设计扬程:29.46m,最高扬程:33.26m,最低扬程:16.50m,设计流量:12.5m³/s,转速:375r/min,电机功率:4500kw,出水口径:不小于2200mm,设计扬程工况点效率不低于87%,最好能达到89%或以上。所有工况水泵必需汽蚀余量不大于12m。

图片

要求泵型式为导叶式混流泵,从南水北调东线宝应站、洪泽站使用大型导叶式混流泵后,湖北、安徽、黑龙江等省用例也越来越多,大有和轴流泵平分天下之势。混流泵有效率高且广、适合扬程广(8米以上就可用)、曲线较平坦没有明显马鞍形,不像轴流泵扬程高时容易超功率。黑龙江省院设计的渠首泵站采用导叶式混流泵,参数为流量:44.38m³/s,扬程:26.37m,转速:125r/min,轴功率:15500kW,为我国目前功率最大的混流泵。

大型立式蜗壳式混流泵,用的不多,但也不乏用例。文革期间当时上海水泵厂制造了叶轮直径为6700mm、流量为97.7m³/s的大型立式蜗壳式混流泵。当时工厂号称放了个“大卫星”,用在江苏皂河泵站。 泵叶轮装可调叶片,其上外侧有径向导叶再向外是水泥蜗壳,以后大中型泵站未见过用例。

针对本次参数选型如下:

根据参数选用天津同台测试8号模型(TJ11-HL-08)比较合适。

图片

图1   泵段模型换算实型泵装置曲线

图片

图2 装置模型(滁河四级站)换算实型泵装置曲线

图片

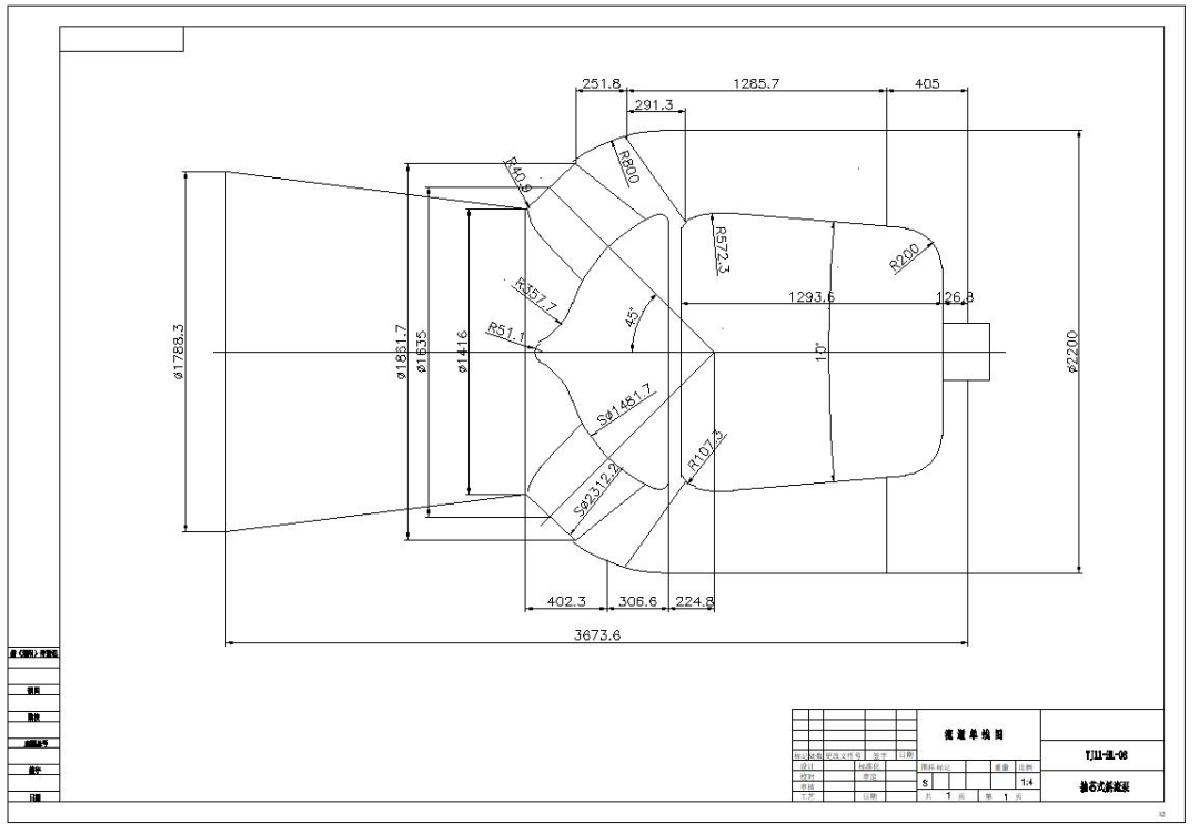
图3 流道单线图(抽芯式)

从选型结果看,同台测试泵段模型试验数据和装置模型试验数据结果相符合,效率很高,但是汽蚀余量偏大,nD值很高。根据扬州大学储训教授编写的《大型泵站建设和更新改造对策》一书介绍,江苏省大中型泵站发生III级以上较严重汽蚀破坏的泵站,占泵站总数的2/3。如下表所示,nD值大于450的均有汽蚀发生,所以南水北调初期把nD值435定为界限,实际上南水北调新建泵站nD值都取的400左右。所以南水北调工程新建大型泵站和其他后建泵站均未发现汽蚀问题。后来对这些泵站也减小nD值进行了改造。

表1 南水北调前泵nD值和汽蚀情况

图片

查利用国外技术应用的部分大型泵站,宝应站选用的日本模型,单机流量为33.4m3/s,转速为125r/min,nD值是335.6;广东东深供水用的安德里兹模型,泵站单机流量15m3/s,转速250r/min,扬程27.6m,nD值约450。
为此事我们征询了浙江省院主任设计师张小康先生,他的意见是可以另投建议方案,中标后备选。所以我们另外做了备选方案,选用比转速340的9号模型,该模型江苏航天用于佳木斯水利工程,并在江苏大学做了模型和装置试验。

图片

图4 泵段模型换算实型泵装置曲线

图片

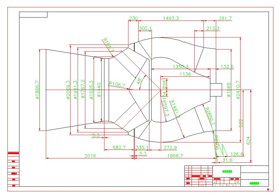
图5 流道单线图


抽芯式通常是指叶轮和导叶都需抽出,下图是只需抽出叶轮,导叶固定不动,称之为单抽芯式结构,根据具体条件研究确定哪种抽芯方式。

图片

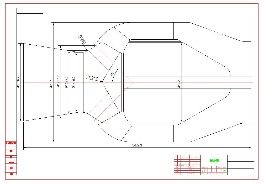
图5 抽芯式流道单线图


本泵站扬程扬程不太高,可以选用卧式双吸泵。最好是用立式双吸泵。如:惠南庄泵站,采用卧式双吸泵,参数如下:

表2 惠南庄泵站参数

图片

本站和惠南庄泵站流量类似,可以选用双吸泵,最好是立式双吸泵。

(1)经计算本泵采用立式双吸泵汽蚀余是7.57米。比要求汽蚀相差4.43米,也就是泵站的挖深少4.43米。双吸泵的抗汽蚀好是人所共知的。
(2)卧式泵太大,总担忧挠度大,轴承寿命问题。立式泵,就没有这种问题。
(3)泵效率高,经计算双吸泵比单吸泵约高2个百分点。
(4)结构简单,轴向力自行平衡(双吸叶轮),径向力自行平衡(双蜗壳)。不像单吸蜗壳泵要设多个导叶和平衡轴向力装置。
(5)轴封简单,因进口压力低。
(6)泵的大部分结构可由水工完成,采用水泥结构,如蜗室大部和泵进出管。只有叶轮一个主件用金属制造,检修时只要向上提出叶轮即可,

图片

图6立式双吸泵流道单线示意图

图片

图7 立式双吸泵预测曲线图

结言

1、nD值多用于轴流泵,实际上应该是指进口直径和转速的乘积(轴流泵进出口直径相同,对其它类型泵应该按进口直径算才有参考意义)。
2、本次选型完全以实际资料为依据,不是为某个厂单独编写,可供一般大中型泵站选型参考。
3、欢迎泵界和水利行业同行多多提出建议,为提高我国大型泵站的选型作出贡献。


分享到:
登录 之后才能发表评论

热门评论